LED显示屏
三段电流保护原理是什么,过电流保护,限时电流速断

三段电流保护原理是什么,过电流保护,限时电流速断

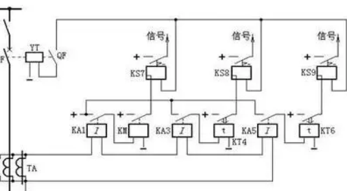
三段电流保护:电力系统安全的坚固盾牌

在错综复杂的电力系统中,三段电流保护策略犹如一道坚不可摧的防线,其重要性不言而喻。此策略的核心在于精准监测电流变化,一旦发现线路异常,便以迅雷不及掩耳之势介入,切断故障源,确保电力设备及电网的整体安全无虞。其“三段”之名,恰如其分地揭示了其由浅入深、层层递进的保护层次。

一、瞬时电流速断保护:故障瞬间的闪电反击

作为三段保护的最前沿,瞬时电流速断保护以其超快的响应速度著称。它犹如一名敏锐的哨兵,时刻警惕着电路中任何异常的电流波动。一旦检测到电流超过预设的安全阈值——这一阈值基于电路末端短路时的最大电流精心设定——保护装置将立即启动,瞬间切断电路,有效遏制故障的蔓延。尽管其作用范围有限,但在阻止初期故障扩大方面,其效果立竿见影,为后续的保护措施赢得了宝贵时间。

图片.png

二、限时电流速断保护:全线路的安全卫士

如果说瞬时电流速断保护是先锋,那么限时电流速断保护则是其坚实的后盾。它巧妙地弥补了前者保护范围不足的缺陷,通过引入时间延迟机制,实现了对整个线路长度的全面保护。在设定动作电流时,它巧妙避开相邻线路的瞬时保护动作值,确保了在复杂电网环境中,即使相邻线路发生故障,本线路的保护装置也不会误动。这种精准的设定,既保证了保护的及时性,又避免了不必要的误操作,为电力系统的稳定运行提供了有力保障。

三、过电流保护:终极守护,全面兜底

作为三段保护的最后一道防线,过电流保护扮演着至关重要的角色。它不仅覆盖了整个线路长度,还具备作为相邻线路后备保护的能力。其动作电流阈值依据避开最大正常负荷电流的原则设定,确保了在正常运行条件下,保护装置不会误动作。然而,一旦电流因故障或异常负载而超标,过电流保护便会在设定的延时后启动,切断故障部分的供电。这种全面而可靠的保护机制,为电力系统的最终安全提供了坚实的保障。

四、协同作战,共筑安全防线

三段电流保护策略之所以能够成为电力系统安全的坚固盾牌,关键在于其各层次之间的精准配合与协同作战。从瞬时电流速断保护的快速反应,到限时电流速断保护的全线路覆盖,再到过电流保护的终极守护,三者共同构成了一套高效、可靠的保护体系。当故障发生时,这一体系能够迅速响应、层层递进、全面覆盖,确保任何故障都能得到及时有效的处理,从而维护整个电力系统的安全稳定运行。这种对安全性与可靠性的高度重视和不懈追求,正是现代电力系统管理的精髓所在。


我要加盟(留言后专人第一时间快速对接)

已有 1826 企业通过我们找到了合作项目
首页 |联系我们 |产品百科 |新闻中心